Kategorie: Rohrverbinder - Alu-Clamps - AC - 35mm - Boden - Wand - Deckenflansch
Boden - Wand - Deckenflansch
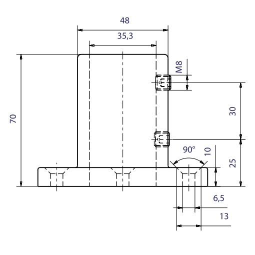
Für höhere statische Ansprüche. Montage: Das Rohr (nur Typ ..-1..) ist vor dem Einschieben mit zwei Durchgangsbohrungen 9mm zu versehen, da es mit dem Rohrlager verschraubt wird. Durch Anziehen der Schrauben erfolgt Klemmwirkung auf das Rohr.
| Mass A | 35 mm |
| Werkstoff | Aluminium |
| für Rohrdimension metrisch | 35 mm |
| zum Öffnen | Nein |
| Legierung | DIN 1725 |
| Oberfläche | roh, unbehandelt |
| Anzahl abgehende Rohre | 1 |
| Verbindungstyp | Flansch |
| Gewicht | 0,258 kg |
| Schalenanzahl | 1 |
| Schlüsselweite | 4 |
| Werkzeug | Inbus oder Ratsche |
| Mindestbestellmenge | 1 Stk. |
| VE en gros | 1 Stk. |
| Lieferzeit | prompt ab Lager |
| Zolltarifnummer | 7609 00 00 |
| extra Bohrung am Rohr nötig | Nein |
